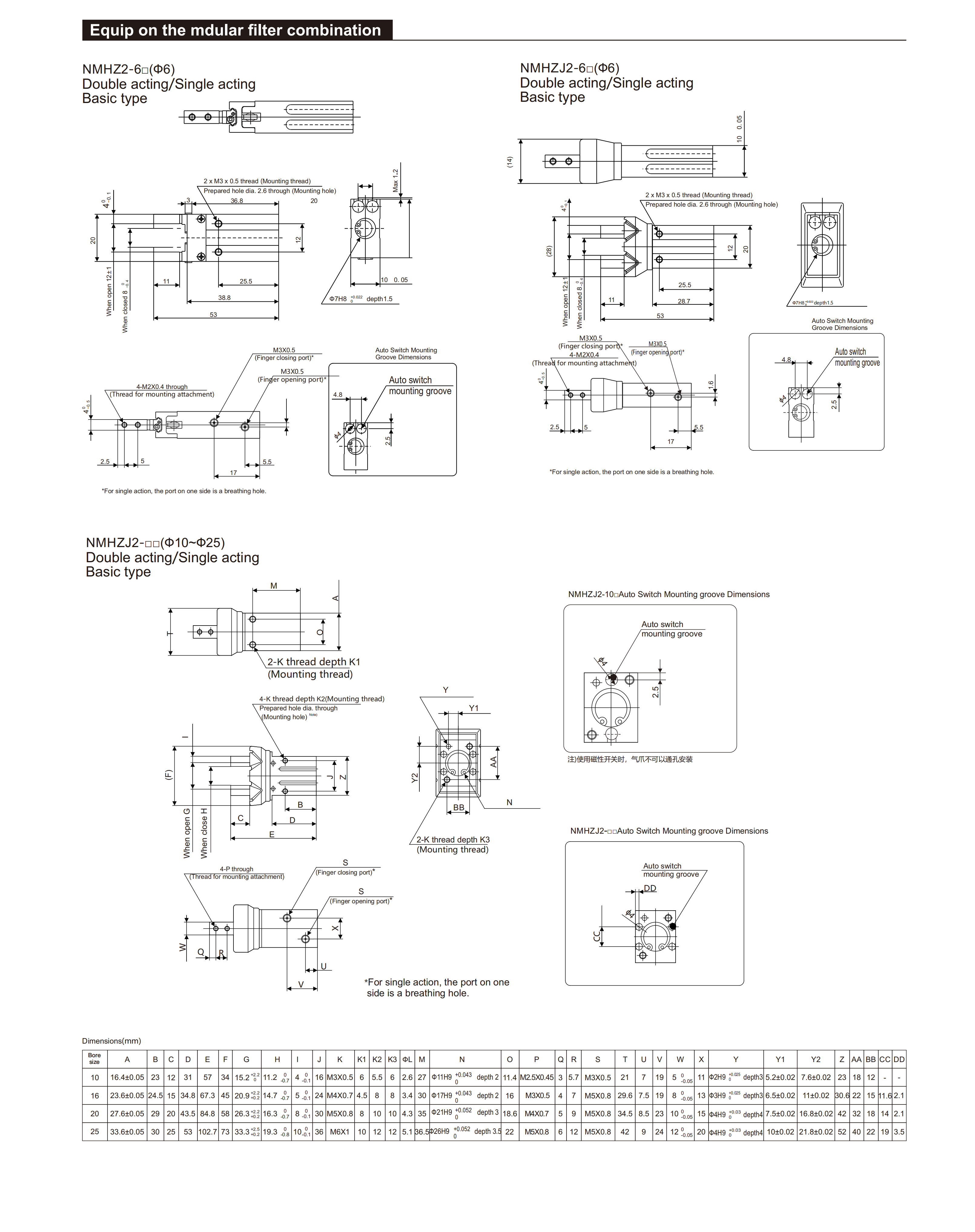
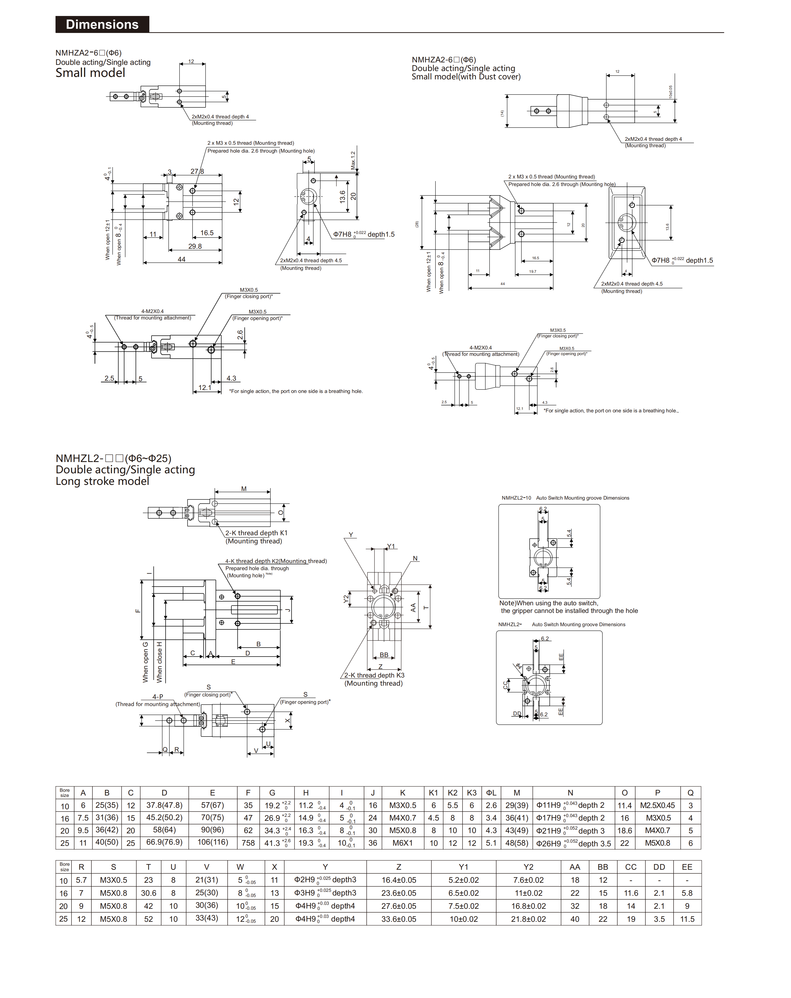
Đặc điểm chính
-
Kẹp song song hai ngón đồng bộ
Chi tiết không bị lệch, độ chính xác định vị cao, thích hợp cho lắp ráp chính xác. -
Tích hợp ray dẫn hướng độ chính xác cao
Chuyển động kẹp mượt mà, ít mài mòn, độ bền cao, không bị lỏng sau thời gian dài sử dụng. -
Hỗ trợ 2 phương thức kẹp: Kẹp ngoài / Đỡ bên trong
Một kẹp có thể ứng dụng cho nhiều dạng hình học chi tiết và đồ gá khác nhau. -
Có thể gắn cảm biến từ
Hỗ trợ phát hiện vị trí, phản hồi tín hiệu, thuận tiện cho điều khiển tự động. -
Kết cấu nhỏ gọn, dễ lắp đặt
Thiết kế nhiều lỗ lắp đa hướng, phù hợp với tay máy và mô-đun đồ gá.
Môi trường làm việc
-
Không khí nén sạch, khô và đã lọc
Ứng dụng điển hình
-
Gắp và di chuyển linh kiện điện – điện tử
-
Định vị kẹp trong dây chuyền lắp ráp tự động
-
Phân loại và chuyển tải các chi tiết nhỏ
-
Đầu cuối tay máy (EOAT) cho robot công nghiệp
-
Tích hợp trong đồ gá và cơ cấu kẹp chính xác






